За основу модуля управления была принята схема из статьи «Простой пульт управления антенным коммутатором» (http://www.cqham.ru/ant59_44.htm).
Антенный коммутатор состоит из двух блоков – модуль управления и модуль коммутации.
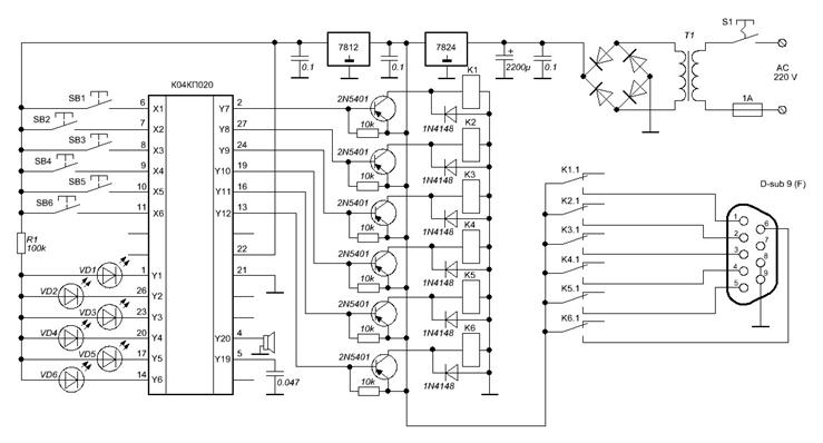
Модуль управления (рис.1) собран на микросборке К04КП020, которая применялась в блоках управления (СВП4-10) цветных телевизоров 3УСЦТ, 4УСЦТ.

Управление микросборкой осуществляется по ее входам Х1-Х6, сигналы индикации снимаются с выходов Y1 – Y6, а управление коммутатором реализуется по выходам Y7 –Y12. Можно использовать и выходы Y13 –Y18 (на схеме не показаны), но необходимо помнить, что на «включенном» выходе потенциал снижается с 12 до 0,2 Вольт. Выход Y20 используется для звуковой сигнализации в момент нажатия одной из кнопок SB1 - SB6, то есть в момент переключения на другую антенну. Для сигнализации применен пьезоизлучатель с внутренним генератором KPE-240, который применяется для звуковой сигнализации в бесперебойных блоках питания и др. устройствах.
Микросборка К04КП020 представляет собой многостабильный триггер и набор электронных ключей, связанных со всеми выходами. В момент включения питания триггер устанавливается в состояние, когда выходы Y1, Y 7, Y13 открыты. Загорается светодиод, подключенный к выходу Y7, а транзисторный ключ, подключенный к выходу Y1 – откроется и сработает реле, включенное в коллекторную цепь этого транзистора.
Для переключения на выбранную антенну нажимают на соответствующую кнопку, например SB5. При этом многостабильный триггер переключится в состояние соответствующее появлению сигналов на выходах Y5, Y16 и Y17 что приведет к зажиганию соответствующих светодиодов и включению соответствующих реле.
В модуле управления применены реле РЭС-49, с напряжением обмотки 27 В. Нормально разомкнутые контакты реле модуля управления управляют включением реле антенного модуля коммутации. Может показаться странным, что реле антенного модуля коммутации не подключены непосредственно вместо реле в модулях управления. Это сделано для страховки, поскольку значительная длина проводов управления коммутатором, связанных непосредственно с микросборкой, может повлечь сбои в работе при значительных КСВ. Поэтому и применена такая гальваническая развязка.
В модуле коммутации применены реле РЭН33, в которого четыре переключающих контакта, для увеличения надежности и мощности, включены параллельно 
При длительном нахождении реле РЭН33 под напряжением равным номинальному обмотка значительно нагревается, что нежелательно. Поэтому реле модуля коммутации РЭН33, включаются через «форсирующую» цепь, состоящую из параллельно включенных 2-х резисторов, мощностью 2 Вт и электролитического конденсатора 1000 мкф. Реле включается «форсированным» напряжением 24 В, которое потом снижается до достаточного для удержания реле напряжения 12…14 В. В таком режиме реле может находится во включенном состоянии длительное время без заметного нагрева обмотки.
Контакты реле модуля коммутации включены таким образом, что при отсутствии напряжения на обмотках реле, выключенных антенн, антенны заземлены.
Модуль управления и модуль коммутации соединен кабелем 
На завершение статьи несколько фотографий готового антенного коммутатора:
Блок управления, передняя панель:

Блок управления, задняя панель:

Блок управления, внутри:

Блок коммутации, внешний вид:
Блок коммутации, внутри:


Антенный коммутатор
Страница: 1
Сообщений 1 страница 1 из 1
Поделиться12020-07-26 01:36:27
Страница: 1